Through PayPal Credit - Find out more

Description
Description
SW-K LAMBDA (300KG)
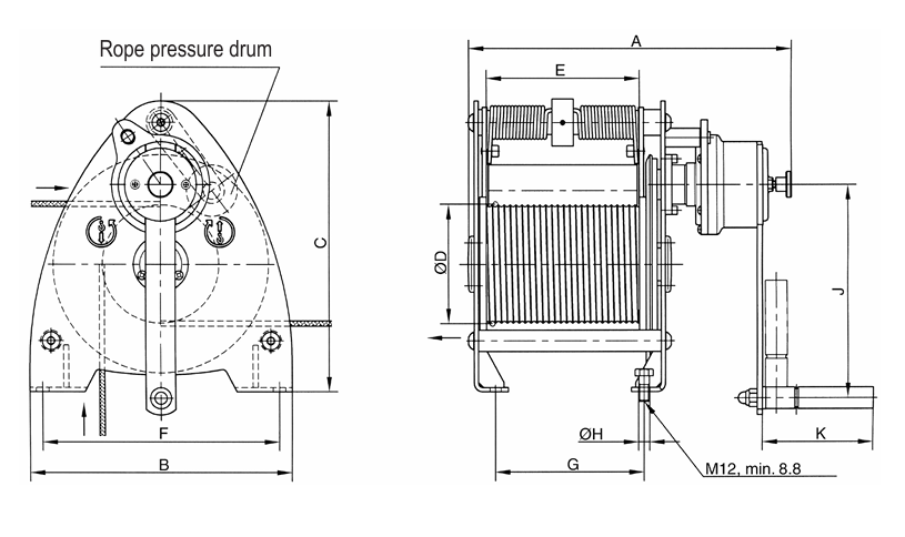
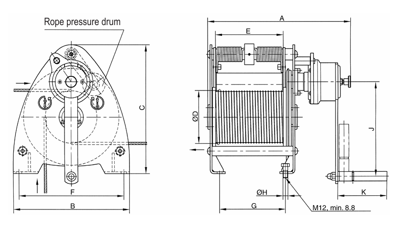
The Pfaff SW-K Lambda BGVC1 wire rope winch is designed for precision lifting and load-holding applications. Engineered with a grooved drum for single-layer winding, it offers extended wire rope service life with an 18:1 ratio between drum and rope diameter. The safety spring double brake system ensures automatic load-holding at any position, making it ideal for demanding environments.
Recommended Wire Rope: DIN 3060 FE-znk 1770 sZ-spa
Note: All Pfaff winches are supplied without wire rope.
Key Features
- Grooved drum for single-layer winding, enhancing wire rope longevity.
- 18:1 drum-to-rope ratio increases service life.
- Double safety spring brake system automatically holds the load in any position.
- Spring-loaded rope pressure drum for improved coiling.
- Spur gear drive ensures efficient load handling
- Gear rated to twice the nominal load for added durability.
Optional Accessories
- Drum extension for increased wire rope
capacity. - Special grooved drum for multi-layer wire rope
winding. - Wire rope (sold separately)
Safety Guidelines:
-
Operation, installation, and maintenance must be performed by qualified personnel.
-
Regular inspections are mandatory:
-
Daily checks: Brake function, rope condition, load attachment, and support structure.
-
Annual UVV inspection by a certified expert.
-
Comprehensive inspection at least every 4 years or after modifications.
Prohibited Actions:
-
Never leave a load hanging unsecured.
-
Do not allow the rope to swing or drop freely.
- Avoid touching moving parts
Rope Guidelines:
-
Must be wound in a single layer on the grooved drum.
-
Minimum 3 full windings must remain on the drum when fully extended.
-
Regularly inspect according to DIN 15020 standards.
Specification
Specification
Dimensions
Dimensions
Product Questions & Answers
Product Questions & Answers
QUESTIONS & ANSWERS
Have a Question?
Be the first to ask a question about this.